4.3-10 Connectors

Compact, low-PIM threaded connectors with IP67 sealing for high-performance telecom and broadcast systems

Overview

Amphenol RF’s 4.3‑10 connector series combines robust performance and space-saving design, offering a reliable 50 Ω interface suited for high-density RF networks. Nearly as compact as 2.2‑5 connectors but engineered for higher power, these connectors feature separate electrical and mechanical paths to ensure low passive intermodulation, even under hand-tight installations. They are sealed to IP67 when unmated, making them ideal for outdoor infrastructure and DAS deployments.

Designed to support frequencies up to 6 GHz while reducing size and weight by up to 40% compared to 7‑16 DIN, 4.3‑10 connectors are trusted in base stations, small cell systems and broadcast venues. Their standardized interface supports hex-wrench, hand-tight and push-pull coupling, enabling fast and reliable installations across a variety of deployment scenarios.

Features and Benefits
  • 40% lighter and more compact than traditional 7‑16 DIN connectors for high-density installations
  • Low PIM design (≤ –166 dBc @ 2×20 W) maintains signal clarity in multi-carrier cellular and broadcast environments
  • IP67-rated in unmated condition for robust environmental protection
  • Versatile coupling—supports hand-tight, wrench and quick-connect push-pull interfaces
  • Excellent RF performance, optimized for low loss and stable VSWR up to 6 GHz
Key Technical Details
  • Nominal 50 Ω impedance with superior RF stabilization up to 6 GHz
  • Separate mechanical and electrical conductors for consistent PIM performance
  • Rated ≥100 mating cycles; hex coupling torque approx. 5 Nm
  • Rated for 500 W at 2 GHz and ≥–166 dBc PIM performance
  • IP67 seal ensures resistance to dust and moisture, even in unmated state
Applications
  • Distributed antenna systems (DAS) and cellular base stations—compact, reliable RF routing in dense installations
  • Wireless infrastructure—low PIM connectors help maintain network quality under multi-carrier loads
  • Broadcast and telecom—support equipment and feeder lines with robust RF interfaces
  • Filters & combiners—modular use in RF component testing and deployment
  • Lab and test benches—fast disconnect/reconnect with low reflectivity for RF analytics

Browse our full 4.3‑10 connector range—including in-line plugs, panel jacks and adapters—or contact us for custom cable assemblies, impedance variants, or environmental packaging.

Specifications

4.3-10 Connectors

Electrical

Impedance 50 Ohm
Frequency Range DC - 6 GHz
Voltage Rating 500 Volts RMS Continuous
Dielectric Withstanding Voltage 2500 VRMS Max
VSWR (Return Loss)
DC - 4 GHz
1.032 (-36 dB) Max
4 - 6 GHz
1.052 (-32 dB) Max
Insulation Resistance 5000 MΩ Min
Center Contact Resistance 1 mΩ Max
Outer Contact Resistance 1 mΩ Max
RF Leakage -120 dB Max (DC - 3 GHz)
Insertion Loss 0.05 √(f(GHz)) dB Max
Passive Intermodulation (PIM)
2 x 20 W
−166 dBc (0.4 - 4 GHz)
 2 x 40 W
−160 dBc (0.4 - 4 GHz)
Power Handling 500 W @ 2 GHz @ 90 ºC

Environmental

Temperature Range −40°C to +85°C
Thermal Shock IEC 61169-1, Subclause 9.6.9
Corrosion IEC 61169-1, Subclause 9.4.6
Vibration IEC 61169-1, Subclause 9.3.3
Mechanical Shock IEC 61169-1, Subclause 9.3.14
Interface Sealing IP68 Sealed in Mated Condition

Mechanical

Mating Cycles 100 Min
Coupling Mechanism  Threaded
Interface Specification IEC 61169-54
Engagement Force 18 lbs (80 N) Max
Disengagement Force 13.5 lbs (60 N) Max
Mating Torque, Min Working 5 N-m (44.25 in-lbs)

Note: These characteristics are typical and may not apply to all connectors.
Connector configurations may affect performance.

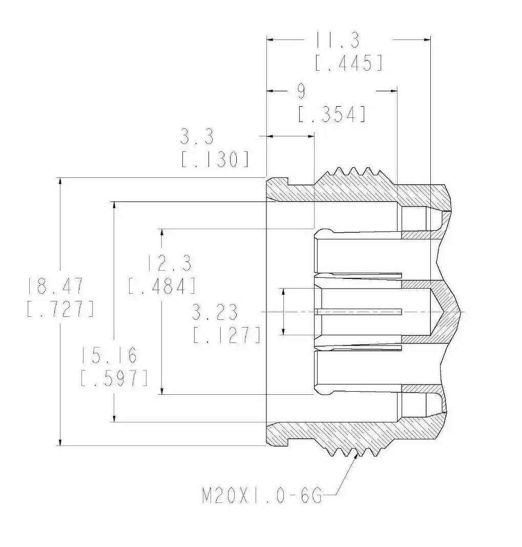
Interface Dimensions

Plug
Jack

Related Resources

The Amphenol RF 2.2-5 Product Data Sheet highlights the 2.2-5 connector series, designed for high-performance RF applications requiring compact size, low PIM, and superior electrical performance. This connector series is engineered to support high-frequency, low-loss signal transmission, making it ideal for 5G networks, small cells, and distributed antenna systems (DAS). With a rugged, weatherproof design, these connectors ensure reliable performance in harsh environments while maintaining ease of installation through various coupling mechanisms, including threaded, push-pull, and hand-screw options.
2.2-5 Connector Series
The Amphenol RF 2.2-5 Product Data Sheet highlights the 2.2-5 connector series, designed for high-performance RF applications requiring compact size, low PIM, and superior electrical performance. This connector series is engineered to support high-frequency, low-loss signal transmission, making it ideal for 5G networks, small cells, and distributed antenna systems (DAS). With a rugged, weatherproof design, these connectors ensure reliable performance in harsh environments while maintaining ease of installation through various coupling mechanisms, including threaded, push-pull, and hand-screw options.
Read More
The 4.3-10 Connector Cut Sheet provides a detailed overview of the 4.3-10 RF connector series, designed for superior performance in high-frequency applications. This document outlines the key features of the 4.3-10 connectors, including their low PIM (Passive Intermodulation) performance, compact design, and high durability, making them ideal for telecommunications, wireless infrastructure, and RF signal transmission. The connectors are engineered for easy installation, offering a user-friendly interface with threaded, push-pull, and hand-screw coupling mechanisms to ensure secure connections.
4.3-10 Connector Series
The 4.3-10 Connector Cut Sheet provides a detailed overview of the 4.3-10 RF connector series, designed for superior performance in high-frequency applications. This document outlines the key features of the 4.3-10 connectors, including their low PIM (Passive Intermodulation) performance, compact design, and high durability, making them ideal for telecommunications, wireless infrastructure, and RF signal transmission. The connectors are engineered for easy installation, offering a user-friendly interface with threaded, push-pull, and hand-screw coupling mechanisms to ensure secure connections.
Read More
Amphenol RF introduces a comprehensive line of 4.3/10 low PIM adapters, expanding their low PIM adapter product family. These adapters are designed for space-restricted, high-density, and weight-sensitive applications, offering superior PIM performance and reduced mating torque compared to 7/16 DIN connectors, with in-series and between-series configurations available.
4.3-10 Adapters
Amphenol RF introduces a comprehensive line of 4.3/10 low PIM adapters, expanding their low PIM adapter product family. These adapters are designed for space-restricted, high-density, and weight-sensitive applications, offering superior PIM performance and reduced mating torque compared to 7/16 DIN connectors, with in-series and between-series configurations available.
Read More
The document "Passive Intermodulation Distortion in Connectors, Cable and Cable Assemblies" by David Weinstein of Amphenol Corporation discusses the causes, impacts, and measurement of Passive Intermodulation Distortion (PIM) in RF components. It explains how PIM is generated by non-linear mixing in passive devices like connectors and cables, causing unwanted signals that can interfere with communication systems. The paper outlines design guidelines to minimize PIM, including contact design, material choices and cleanliness, and describes testing methods to ensure low PIM performance​​.
White Paper: Passive Intermodulation Distortion
The document "Passive Intermodulation Distortion in Connectors, Cable and Cable Assemblies" by David Weinstein of Amphenol Corporation discusses the causes, impacts, and measurement of Passive Intermodulation Distortion (PIM) in RF components. It explains how PIM is generated by non-linear mixing in passive devices like connectors and cables, causing unwanted signals that can interfere with communication systems. The paper outlines design guidelines to minimize PIM, including contact design, material choices and cleanliness, and describes testing methods to ensure low PIM performance​​.
Read More
Amphenol RF's Nex10 Adapter Series features ruggedized, compact 50 ohm adapters offering reliable low PIM performance up to 6 GHz. These lightweight, threaded adapters are ideal for high-density applications such as antennas, small cells, distributed antenna systems (DAS), MIMO, and 5G/LTE, designed to reduce interference and maintain network quality.
Nex10 Adapter Series
Amphenol RF's Nex10 Adapter Series features ruggedized, compact 50 ohm adapters offering reliable low PIM performance up to 6 GHz. These lightweight, threaded adapters are ideal for high-density applications such as antennas, small cells, distributed antenna systems (DAS), MIMO, and 5G/LTE, designed to reduce interference and maintain network quality.
Read More

Send us a Message

Please fill in the form below and we will contact you very soon.

Fields marked with an asterisk (*) are required.