RF Switching Connectors

Built-in test access and signal routing in compact, board-level RF solutions

Overview

Amphenol RF’s RF switching connectors provide a robust, cost-effective method for testing RF circuits without the need to physically disconnect and reconnect cables. These connectors integrate a mechanical switch function that allows signal continuity during normal operation and redirects signals during test procedures.

Designed for durability and ease of use, RF switching connectors are available in several industry-standard interfaces such as SMA and MCX. They are ideal for PCB-mounted designs in compact environments where maintaining signal integrity and maximizing board space is essential.

Features and Benefits
  • Integrated switch function eliminates the need for external switching hardware
  • Compact PCB-mountable designs optimize limited board space
  • Available in popular interfaces like SMA and MCX for seamless design integration
  • Durable construction supports multiple test cycles
  • Enables non-intrusive testing, improving reliability and reducing wear on cables
Key Technical Details
  • Available in 50 ohm configurations
  • Frequency support up to 6 GHz (cable and PCB dependent)
  • Designed for standard board-to-instrumentation signal access
  • Switch functionality rated for repeated test cycles
  • PCB-mount designs with secure through-hole or surface mount footprints
Applications
  • RF device production testing
  • Wireless module validation
  • Portable RF instruments
  • IoT and consumer electronics diagnostics
  • Antenna switch modules

Browse our standard RF switching connector options for streamlined test integration. If your application requires custom PCB layouts, frequency support, or switching functionality, contact us for tailored design support.

Specifications

4.3/10 Connectors

Electrical

Impedance 50 Ω
Frequency Range DC to 6 GHz
Voltage Rating X Volts RMS Continuous
Dielectric Withstanding Voltage X VRMS Max
VSWR  XX (X.XX dB)
DC - X GHz XX (X.XX dB)
X - Y GHz XX (X.XX dB)
Y - Z GHz XX (X.XX dB)
Insulation Resistance XXXX MΩ min
Contact Resistance
Center Contact X.X mΩ Min
Outer Contact X.X mΩ Min
RF Leakage -XX dB Min
Insertion Loss XX dB Max
Passive Intermodulation (PIM) XX dBc with 2 X 43 dBm inputs
Power Handling XX W @ XX GHz @ XX ºC

Environmental

Temperature Range −55 to +90 °C
Thermal Shock MIL-STD-202…
Corrosion MIL-STD-202…
Vibration MIL-STD-202…
Mechanical Shock MIL-STD-202…
Moisture Resistance MIL-STD-202…
Altitude MIL-STD-202…

Mechanical

Mating Cycles XXX Min
Coupling Mechanism
Interface Specification MIL-STD-348
Engagement Force
XX lbs (XX N)
Disengagement Force XX lbs (XX N)
Mating Torque, Min Working
inch-pounds
Mechanical Misalignment
Axial
Radial
Max Float Angle
Min Board to Board Distance XX mm

Note: These characteristics are typical and may not apply to all connectors.

Connector configurations may affect performance.

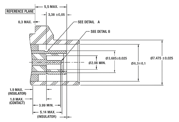
Interface Dimensions

Plug
Jack

Send us a Message

Please fill in the form below and we will contact you very soon.

Fields marked with an asterisk (*) are required.