C-Type Connectors
Robust 50 Ω coaxial connectors for high-voltage, weather-resistant RF applications
Overview
Amphenol RF’s C‑Type connectors are engineered to offer dependable RF performance in demanding environments—combining secure bayonet coupling with a rugged, weatherproof design. With voltage ratings up to 1,500 V and frequency capability reaching approximately 11 GHz (cable dependent), C‑Type connectors are ideal for industrial, broadcast, and aerospace installations where both electrical robustness and environmental sealing are essential.
Built to MIL‑STD specifications and featuring two-stud bayonet locking, these connectors ensure stable signal transmission and physical resilience in harsh conditions. Whether used in outdoor test systems, heavy-duty sensors, or power-intensive RF assemblies, C‑Type connectors provide a reliable interface for high-voltage and high-frequency operations in compact form factors.
Features and Benefits
- High-voltage tolerance – Rated up to 1,500 V for demanding power and RF applications
- Weatherproof and durable – Two-stud bayonet design resists environmental exposure
- Broad frequency performance – Supports operation up to approx. 11 GHz
- Rugged construction – Precision machined bodies with robust coupling mechanism
- Versatile mounting – Available in straight, bulkhead, and panel configurations
Key Technical Details
- Impedance: Nominal 50 Ω
- Frequency Range: DC to ~11 GHz (dependent on cable and assembly quality)
- Coupling Mechanism: Double-stud bayonet for positive locking
- Voltage Rating: Withstands up to 1,500 V
- Construction: Precision-machined metal body, gold-plated contacts, weather-resistant interface
Applications
- Outdoor RF test systems – Durable, weather-resistant connectors for field measurements
- High-voltage RF assemblies – Supports power-handling and stability in satellite or broadcast applications
- Industrial sensors and controls – Reliable interconnects in harsh and high-voltage environments
- Aerospace and defense equipment – Meets military-grade performance standards for rugged use
- Power-sensitive RF circuits – Ideal for LNAs, power amplifiers, and transmitter modules
Browse our complete range of C‑Type connectors—including cable-mount and bulkhead versions—to find the configurations that match your voltage, frequency, and mechanical design needs. For custom assemblies, specific cable interfaces, or ruggedized packaging options, contact our team to explore tailored engineering solutions.
Specifications
C-Type Connectors
Electrical
| Impedance | 50 Ohm |
| Frequency Range | DC - 11 GHz |
| Voltage Rating | 1500 Volts RMS Max Continuous |
| Dielectric Withstanding Voltage | 3000 VRMS Min |
| VSWR (Return Loss) | |
|
DC - 11 GHz
|
1.35 (-16.5 dB) Max |
| Power Handling | 2500 W Max @ 0.1 GHz @ 25 ºC |
Environmental
| Temperature Range
|
−55°C to +165°C
|
Mechanical
| Mating Cycles | 500 Min
|
| Coupling Mechanism
|
Bayonet |
| Interface Specification
|
MIL-STD-348 |
Note: These characteristics are typical and may not apply to all connectors.
Connector configurations may affect performance.
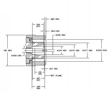
Interface Dimensions
Jack
Plug
Send us a Message
Please fill in the form below and we will contact you very soon.
Fields marked with an asterisk (*) are required.