SMB Connectors

Snap-on broadband RF interconnects engineered for compact, high-density system integration

Overview

At Amphenol RF, our SMB connector series provides a proven and versatile solution for engineers and buyers seeking compact, quick-connect RF interfaces. The SMB family supports broadband performance, 50 Ω (and dedicated 75 Ω) impedance options and broad cable and PCB compatibility — making it a strong candidate for applications ranging from instrumentation to wireless infrastructure.

With its snap-on coupling mechanism, MIL-C-39012 interface compliance and MIL-STD-348 design lineage, the SMB series balances space-efficient packaging with reliable electrical performance.

Features and Benefits
  • Snap-on coupling mechanism reduces installation time and allows for rapid mating/demating in field or assembly environments.
  • Broadband capability: standard designs support DC to ~4 GHz, with extended-range variants rated to ~10 GHz.
  • Available in both 50 Ω and 75 Ω impedance variants—supporting standard RF systems and video/broadcast applications.
  • Compact sub-miniature form-factor accommodates space-constrained board-to-cable or cable-to-board architectures.
  • Variety of plating and material options (nickel, gold, tin-lead) satisfy cost, corrosion or solderability requirements.
  • Low insertion-force PCB slide-on plug/jack variants enable dense board-to-board configurations with minimal mating strain.
Key Technical Details
  • Impedance: 50 Ω standard; 75 Ω variants available for broadcast/video-centric systems.
  • Frequency Range: DC to ~4 GHz in standard SMB designs; up to ~10 GHz in extended-range versions (dependent on connector configuration and cable).
  • Mating Cycles: Minimum 500 mating cycles typical for SMB series.
  • Temperature Range: −65 °C to +165 °C typical; performance may vary with configuration and cable type.
  • Special Features: Snap-on coupling, 50 Ω/75 Ω options, multiple plating alternatives; note that standard SMB series from Amphenol RF are not hermetically sealed and IP-rated sealed variants are not listed for this series.
Applications

The SMB connector family is well suited for a wide range of system uses:

  • Wireless infrastructure and base-station modules where compact, quick-connect RF interfaces are needed.
  • Instrumentation and test equipment requiring frequent mate/demate operations and board-mount or cable-mount integration.
  • Broadcast and video-link systems leveraging 75 Ω SMB variants for impedance-matched signal paths.
  • GPS, telemetry and data-communications platforms needing space-efficient, high-density RF interconnect solutions.
  • Cable-to-board or board-to-board interconnects in systems where mature supply chain, global availability and repeatable RF performance are requisite.

Explore our full SMB standard-product connector lineup. If you require a custom termination, alternate material, specialty plating or a tailored variant outside the standard offerings, please contact our engineering team for a bespoke solution.

Specifications

SMB Connectors

Electrical

Impedance 50 Ohm
Frequency Range DC - 4 GHz (DC - 10 GHz on Extended Range Designs)
Voltage Rating 335 Volts RMS Continuous
Dielectric Withstanding Voltage 1000 VRMS Max
VSWR (Return Loss)
RG-178/RG-196 Group

Straight Connectors
1.30 + .04 f (GHz)
Right Angle Connectors
1.45 + .06 f (GHz)
RG-174/RG-316/RG-188 Group

Straight Connectors
1.25 + .04 f (GHz)
Right Angle Connectors
1.35 + .04 f (GHz)
Insulation Resistance 1000 MΩ Min
Center Contact Resistance 6 mΩ Max
Outer Contact Resistance 1 mΩ Max
RF Leakage -120 dB Max (DC - 3 GHz)
Insertion Loss
Straight Connectors
.30 dB @ 1.5 GHz Max
Right Angle Connectors
.60 dB @ 1.5 GHz Max
Power Handling 95 W @ 1 GHz @ 25ºC

Environmental

Temperature Range −65°C to +165°C
Thermal Shock MIL-STD-202 Method 107 (Test Condition B) except high temp test @ +200°C
Corrosion MIL-STD-202 Method 101 (Test Condition B) 5% Salt Solution
Vibration MIL-STD-202 Method 204, snap on (Test Condition B) (15G's)
Mechanical Shock MIL-STD-202 Method 213, snap on (Test Condition B) 75 G's @ 6 milliseconds 1/2 sine
Moisture Resistance MIL-STD-202 Method 106
Altitude MIL-STD-202 Method 105 (Test Condition C)

Mechanical

Mating Cycles 500 Min
Coupling Mechanism Snap-On
Interface Specification MIL-STD-348
Engagement Force 14 lbs (62 N) Max
Disengagement Force 2 lbs (8.9 N) Max

Note: These characteristics are typical and may not apply to all connectors.
Connector configurations may affect performance.

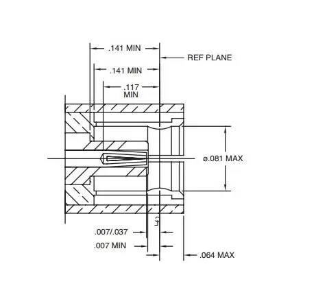
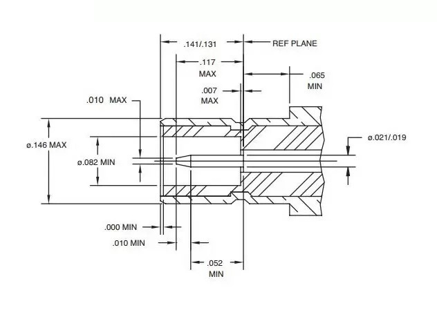
Interface Dimensions

Plug
Jack

Related Resources

Secure 50-Ω board-level connectivity with the compact surface-mount SMB jack
Amphenol RF is pleased to introduce a new high-performance surface-mount straight SMB jack into our broad portfolio of SMB connectors.
Read More
Add more flexibility with new 50Ω SMB cable assembly options
Amphenol RF is proud to introduce additional SMB cable assemblies into our wide portfolio of pre-configured RF assemblies.
Read More
The Amphenol RF SMB Plug to Plug Cable Assemblies datasheet details versatile and reliable 50 ohm assemblies with flexible coax cables, available in various lengths and configurations. These assemblies feature a push-on coupling mechanism, are suitable for applications like test and measurement equipment, and support performance up to 4 GHz (or 1 GHz for RG-174 cables)​​.
50 Ohm SMB Plug to Plug Cable Assemblies
The Amphenol RF SMB Plug to Plug Cable Assemblies datasheet details versatile and reliable 50 ohm assemblies with flexible coax cables, available in various lengths and configurations. These assemblies feature a push-on coupling mechanism, are suitable for applications like test and measurement equipment, and support performance up to 4 GHz (or 1 GHz for RG-174 cables)​​.
Read More

Send us a Message

Please fill in the form below and we will contact you very soon.

Fields marked with an asterisk (*) are required.