RP-SMB Connectors

Compact, snap-on RF interface for 50 Ω cable systems

Overview

Amphenol RF’s RP‑SMB connectors provide reliable, space-efficient snap‑on connections designed for reverse‑polarity RF applications. Engineered to meet industry standards, this series ensures compatibility across a wide range of coaxial cable types while maintaining signal integrity. Common in wireless equipment and instrumentation, RP‑SMB offers a convenient solution without the bulk of larger threaded connectors.

These connectors are ideal for designers seeking a low-profile, reverse-polarity option with dependable electrical performance up to 4 GHz. Whether used in handheld devices, portable WLAN systems, or automated test setups, they deliver quick-connect convenience with consistent 50 Ω impedance.

Features and Benefits
  • Reverse-polarity SMB interface (RP‑SMB) avoids accidental mating with standard SMB
  • 50 Ω impedance ensures signal consistency across frequency-critical systems
  • Snap-on coupling allows fast, tool-free installation and removal
  • Broad cable compatibility (RG‑174, RG‑188A, RG‑316, etc.)
  • Compact footprint fits tight applications in wireless and test equipment
Key Technical Details
  • Impedance: 50 Ω
  • Frequency range: DC–4 GHz (cable‑dependent)
  • Mating cycles: Snap‑on design supports multiple connect/disconnect operations
  • Temperature range: −65 °C to +165 °C (material/cable dependent)
  • Voltage rating: Suitable for standard RF use (per MIL‑C‑39012 compliance)
Applications
  • Wireless LAN and RF test systems
  • Portable radio and communication devices
  • Automated test equipment and instrumentation
  • OEM wireless modules and specialty RF interfaces

Browse our standard RP‑SMB connector range to find configurations that meet your requirements. For custom lengths, cable types, or tailored termination styles, contact our applications engineering team for personalized support.

Specifications

SMB Connectors

Electrical

Impedance 50 Ohm
Frequency Range DC - 4 GHz (DC - 10 GHz on Extended Range Designs)
Voltage Rating 335 Volts RMS Continuous
Dielectric Withstanding Voltage 1000 VRMS Max
VSWR  (Return Loss)
RG-178/RG-196 Group
Straight Connectors
1.30 + .04 f (GHz)
Right Angle Connectors
1.45 + .06 f (GHz)
RG-174/RG-316/RG-188 Group
Straight Connectors
1.25 + .04 f (GHz)
Right Angle Connectors
1.35 + .04 f (GHz)
Insulation Resistance 1000 MΩ Min
Center Contact Resistance 6 mΩ Max
Outer Contact Resistance 1 mΩ Max
RF Leakage -120 dB Max (DC - 3 GHz)
Insertion Loss
Straight Connectors
.30 dB @ 1.5 GHz Max
Right Angle Connectors
.60 dB @ 1.5 GHz Max
Power Handling 95 W @ 1 GHz @ 25ºC

Environmental

Temperature Range −65°C to +165°C
Thermal Shock MIL-STD-202 Method 107 (Test Condition B) except high temp test @ +200⁰C
Corrosion MIL-STD-202 Method 101 (Test Condition B) 5% Salt Solution
Vibration MIL-STD-202 Method 204, snap on (Test Condition B) (15G's)
Mechanical Shock MIL-STD-202 Method 213, snap on (Test Condition B) 75 G's @ 6 milliseconds 1/2 sine
Moisture Resistance MIL-STD-202 Method 106
Altitude MIL-STD-202 Method 105 (Test Condition C)

Mechanical

Mating Cycles 500 Min
Coupling Mechanism Snap-On
Interface Specification MIL-STD-348
Engagement Force 14 lbs (62 N) Max
Disengagement Force 2 lbs (8.9 N) Max

Note: These characteristics are typical and may not apply to all connectors.
Connector configurations may affect performance.

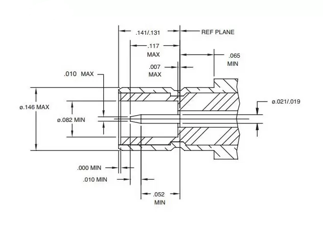
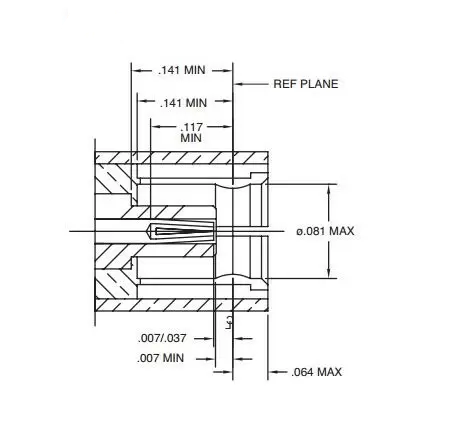
Interface Dimensions

Plug
Jack

Related Resources

Secure 50-Ω board-level connectivity with the compact surface-mount SMB jack
Amphenol RF is pleased to introduce a new high-performance surface-mount straight SMB jack into our broad portfolio of SMB connectors.
Read More
Add more flexibility with new 50Ω SMB cable assembly options
Amphenol RF is proud to introduce additional SMB cable assemblies into our wide portfolio of pre-configured RF assemblies.
Read More
The Amphenol RF SMB Plug to Plug Cable Assemblies datasheet details versatile and reliable 50 ohm assemblies with flexible coax cables, available in various lengths and configurations. These assemblies feature a push-on coupling mechanism, are suitable for applications like test and measurement equipment, and support performance up to 4 GHz (or 1 GHz for RG-174 cables)​​.
50 Ohm SMB Plug to Plug Cable Assemblies
The Amphenol RF SMB Plug to Plug Cable Assemblies datasheet details versatile and reliable 50 ohm assemblies with flexible coax cables, available in various lengths and configurations. These assemblies feature a push-on coupling mechanism, are suitable for applications like test and measurement equipment, and support performance up to 4 GHz (or 1 GHz for RG-174 cables)​​.
Read More

Send us a Message

Please fill in the form below and we will contact you very soon.

Fields marked with an asterisk (*) are required.