RP-BNC Connectors

Reliable reversed-polarity BNC connectors built for critical RF applications

Overview

Amphenol RF’s RP‑BNC connectors provide the same secure bayonet-style connection as standard BNC but with a reversed center pin polarity. This design safeguards against unintended connections and ensures compliance with RF safety standards. Built for dependable performance across test equipment, communication gear and broadcast systems.

Engineered for frequent use in laboratory, field and embedded electronics environments, RP‑BNC connectors offer robust, user-friendly assembly in 50 Ω systems. Tested for high durability and signal integrity, they are ideal for applications demanding secure, reversible connections with continuity testing assurance.

Features and Benefits
  • Reversed-polarity design enhances safety and regulatory compliance
  • Secure 2‑lug bayonet coupling with positive engagement
  • 50 Ω impedance for broad RF compatibility and performance
  • Tested for continuity and hi-pot on all standard assemblies
  • Nickel or gold-plated options for corrosion resistance
Key Technical Details
  • Impedance: 50 Ω matched
  • Frequency range: Typically DC–4 GHz (connector + cable dependent)
  • Materials: Brass shell with optional plating for environmental resilience
  • Coupling type: BNC-style bayonet with twist lock
  • Configuration: Available cable-to-cable, cable-to-panel and test cable versions
Applications
  • RF test and measurement instrumentation
  • Wireless communication and repeater setups
  • Broadcast and video systems
  • Antenna tuning and lab applications
  • Embedded systems requiring reversible safe connectors

Explore our selection of standard RP‑BNC connectors. For customized cable lengths, environmental protection, or ruggedized variants, please contact our team.

Specifications

BNC Connectors
50 Ohm

Electrical

Impedance 50 Ohm
Frequency Range DC - 4 GHz (DC -12 GHz on Extended Range Designs)
Voltage Rating 500 Volts RMS Max Continuous
Dielectric Withstanding Voltage 1500 VRMS Max
VSWR (Return Loss)
DC - 4 GHz
1.3 (-18 dB) Max
Insulation Resistance 5000 MΩ Min
Center Contact Resistance 1.5 mΩ Min
Outer Contact Resistance 0.2 mΩ Min
RF Leakage 55 dB Max @ 3 GHz
Insertion Loss 0.2 dB Max @ 3 GHz
Power Handling 316 W Max @ 1 GHz @ 25 ºC

Environmental

Temperature Range −65°C to +165°C
Thermal Shock MIL-STD-202, Method 107 (Test Condition G), except high temp test @ +200⁰C
Corrosion MIL-STD-202, Method 101 (Test Condition B) - 5% Salt Solution
Vibration MIL-STD-202, Method 204 (Test Condition D)
Mechanical Shock MIL-STD-202, Method 213 (Test Condition G) - No Discontinuity Permitted
Moisture Resistance MIL-STD-202, Method 106
Altitude
MIL-STD-202 Method 105 (Test Condition C)

Mechanical

Mating Cycles 500 Min
Coupling Mechanism Bayonet
Interface Specification MIL-STD-348
75 Ohm

Electrical

Impedance 75 Ohm
Frequency Range DC- 4 GHz (DC - 12 GHz on Extended Range Designs)
Voltage Rating 500 Volts RMS Max Continuous
Dielectric Withstanding Voltage 1500 VRMS Max
VSWR (Return Loss)
DC - 4 GHz
1.5 (-14 dB) Max
12G Products: DC - 6 GHz
1.22 (-20 dB) Max
12G Products: 6 - 12 GHz
1.43 (-15 dB) Max
Insulation Resistance 5000 MΩ Min
Center Contact Resistance 1.5 mΩ Min
Outer Contact Resistance 0.2 mΩ Min
RF Leakage 55 dB Max @ 3 GHz
Insertion Loss 0.2 dB Max @ 3 GHz
Power Handling 316 W Max @ 1 GHz @ 25ºC

Environmental

Temperature Range −65°C to +165°C
Thermal Shock MIL-STD-202, Method 107 (Test Condition G), except high temp test @ +200⁰C
Corrosion MIL-STD-202, Method 101 ( Test Condition B) - 5% Salt Solution
Vibration MIL-STD-202, Method 204 (Test Condition D)
Mechanical Shock MIL-STD-202, Method 213 (Test Condition G) - No Discontinuity Permitted
Moisture Resistance MIL-STD-202, Method 106
Altitude MIL-STD-202, Method 105 (Test Condition C)

Mechanical

Mating Cycles 500 Min
Coupling Mechanism Bayonet
Interface Specification MIL-STD-348

Note: These characteristics are typical and may not apply to all connectors.
Connector configurations may affect performance.

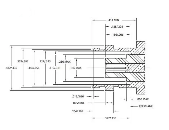
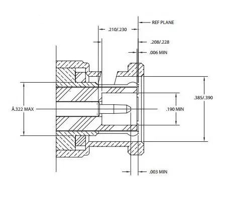
Interface Dimensions

Plug
Jack

Related Resources

AMC to BNC adapter adds versatility in ultraminiature application designs
Amphenol RF is pleased to announce the expansion of our ultraminiature product portfolio with a new AMC to BNC adapter. This new option for ultraminiature connectivity allows the secure bayonet coupling mechanism featured on the popular BNC interface to be mounted to the outside of a panel.
Read More
12G isolated BNC and HD-BNC extend options for system engineers
Amphenol RF is pleased to introduce isolated connectors and adapters to its already expansive 12G BNC and HD-BNC portfolio.
Read More
Pre-configured 50 ohm BNC cable assemblies provide flexible option
Amphenol RF is pleased to announce the expansion of our popular BNC cable assembly series. This series features the high-performance BNC connector designed for a variety of popular flexible, semi-rigid and conformable cables.
Read More
Waterproof IP67-rated BNC connectors improve system integrity
Amphenol RF is pleased to introduce additional products to our waterproof IP67 product portfolio. This latest expansion includes three BNC bulkhead jacks designed to accommodate the popular RG-58, RG-142 and LMR-240 cables.
Read More
Push forward with new 75 ohm 12G SDI adapter for broadcast video
Amphenol RF is pleased to announce the expansion of our 12G product line with a new BNC jack-to-plug adapter.
Read More
New 12G-SDI broadcast products to support plenum cable
Amphenol RF is pleased to introduce an expansion of their 12G-SDI broadcast products.
Read More
BNC configurations supporting new cable types suit a variety of needs through improved versatility
Amphenol RF is pleased to announce the expansion of our BNC product portfolio with additional options featuring flexible micro-miniature coaxial cables.
Read More
Ensure environmental protection with IP67 BNC to microminiature MCX and MMCX cables
Amphenol RF is pleased to announce the expansion of our cable assembly portfolio with additional BNC to MCX and MMCX configurations.
Read More
BNC UltraFlex low-loss cable assemblies offer additional design opportunities
Amphenol RF is pleased to offer a full line of high-performance BNC cable assemblies which utilize highly flexible, low loss Times LMR-UF cables.
Read More
Connect in small spaces with BNC right-angle plug cable assemblies
Amphenol RF is pleased to announce the expansion of our popular BNC cable assembly series with a unique configuration that employs strain relief boots on either end of the cable.
Read More
Enhance equipment security with tamper-resistant BNC bulkhead jack for 1.13 mm cable
Amphenol RF is pleased to announce the introduction of a tamper-resistant BNC bulkhead jack designed for flexible 1.13 mm micro-coax cable.
Read More
Shaping the Public Safety Ecosystem with RF Connectivity
In public safety, the difference between a device that looks capable and one that actually earns trust often comes down to the RF connection that sits behind it. Public safety is about the hardware in the field, but also about creating dependable signal paths for the systems that help protect people, property and critical infrastructure.
Read More
The Amphenol RF HD-BNC Product Series Guide outlines a compact RF connector interface designed for high-density signal routing. It focuses on connector and cable configurations that maintain standard BNC performance in a reduced footprint, detailing electrical and mechanical characteristics, interface options, and use in applications such as broadcast video, test equipment, and other high-frequency systems.
Amphenol RF HD-BNC Product Series Solutions Guide
The Amphenol RF HD-BNC Product Series Guide outlines a compact RF connector interface designed for high-density signal routing. It focuses on connector and cable configurations that maintain standard BNC performance in a reduced footprint, detailing electrical and mechanical characteristics, interface options, and use in applications such as broadcast video, test equipment, and other high-frequency systems.
Read More
Amphenol RF's 50-ohm HD-BNC cable assemblies are designed for high-density applications, providing a compact and lightweight solution with a push-and-turn interface for enhanced performance. These assemblies, compatible with industry-standard RG-316 cable, support a frequency range up to 6 GHz and are ideal for telecommunications, instrumentation, radios, military, and industrial applications.
50 Ohm HD-BNC Cable Assemblies
Amphenol RF's 50-ohm HD-BNC cable assemblies are designed for high-density applications, providing a compact and lightweight solution with a push-and-turn interface for enhanced performance. These assemblies, compatible with industry-standard RG-316 cable, support a frequency range up to 6 GHz and are ideal for telecommunications, instrumentation, radios, military, and industrial applications.
Read More
The "High-Density Broadcast Solutions" document from Amphenol RF highlights their range of RF interconnects designed for broadcast connectivity, including BNC, Mini-BNC, 1.0/2.3 DIN, and HD-BNC connectors. These connectors offer various impedances and frequency ranges, with HD-BNC providing the highest density at an 8mm pitch and supporting data rates up to 12 Gb/s. Applications include high-definition transmission, video routing, mobile broadcast equipment, and digital signage, ensuring reliable performance and reduced equipment size without compromising signal integrity​​.
High Density Broadcast Solutions
The "High-Density Broadcast Solutions" document from Amphenol RF highlights their range of RF interconnects designed for broadcast connectivity, including BNC, Mini-BNC, 1.0/2.3 DIN, and HD-BNC connectors. These connectors offer various impedances and frequency ranges, with HD-BNC providing the highest density at an 8mm pitch and supporting data rates up to 12 Gb/s. Applications include high-definition transmission, video routing, mobile broadcast equipment, and digital signage, ensuring reliable performance and reduced equipment size without compromising signal integrity​​.
Read More
The "High Density Interconnect Standards for Next Generation Broadcast Networks" paper discusses the HD-BNC connector, designed to meet modern broadcast systems' demands for higher density and performance. HD-BNC offers significant density improvements over traditional BNC connectors, with a 75 ohm interface optimized for high bandwidth up to 6 GHz. It maintains robustness and user-friendly bayonet-style mating, providing better mechanical and RF performance than other high-density alternatives like 1.0/2.3 and Mini-BNC. The HD-BNC's design ensures compatibility with industry-standard tools and cables, making it a superior choice for next-generation broadcast applications​​.
White Paper: High Density Interconnect Standards
The "High Density Interconnect Standards for Next Generation Broadcast Networks" paper discusses the HD-BNC connector, designed to meet modern broadcast systems' demands for higher density and performance. HD-BNC offers significant density improvements over traditional BNC connectors, with a 75 ohm interface optimized for high bandwidth up to 6 GHz. It maintains robustness and user-friendly bayonet-style mating, providing better mechanical and RF performance than other high-density alternatives like 1.0/2.3 and Mini-BNC. The HD-BNC's design ensures compatibility with industry-standard tools and cables, making it a superior choice for next-generation broadcast applications​​.
Read More
Amphenol RF offers 12G SDI broadcast solutions designed for Ultra High Definition (4K) video, utilizing BNC, HD-BNC, and MCX connectors optimized for 12 Gbps data transfer. These connectors provide reliable, high-quality signal transmission on a single channel, supporting various applications including mobile broadcast, HD cameras, and video routers.
12G SDI Broadcast Solutions
Amphenol RF offers 12G SDI broadcast solutions designed for Ultra High Definition (4K) video, utilizing BNC, HD-BNC, and MCX connectors optimized for 12 Gbps data transfer. These connectors provide reliable, high-quality signal transmission on a single channel, supporting various applications including mobile broadcast, HD cameras, and video routers.
Read More
Amphenol RF's 12G Isolated BNC and HD-BNC connectors are designed for high-performance broadcast applications, offering 12 Gbps performance per SMPTE standard with additional signal isolation. These 75 Ohm connectors are available in straight and right-angle configurations, providing design flexibility for densely packed applications, and feature a unique dielectric sleeve for isolation, preventing body to panel grounding. They are ideal for mobile broadcast, HD cameras, digital signage, and other video-related applications.
12G Isolated BNC and HD-BNC Connector Series
Amphenol RF's 12G Isolated BNC and HD-BNC connectors are designed for high-performance broadcast applications, offering 12 Gbps performance per SMPTE standard with additional signal isolation. These 75 Ohm connectors are available in straight and right-angle configurations, providing design flexibility for densely packed applications, and feature a unique dielectric sleeve for isolation, preventing body to panel grounding. They are ideal for mobile broadcast, HD cameras, digital signage, and other video-related applications.
Read More
Amphenol RF's BNC 50 Ohm cable assemblies offer high-performance solutions utilizing various flexible cables. These assemblies feature a bayonet coupling mechanism for quick and secure mating, vibration-resistant connectors, and are available in lengths from 6 inches to 30 meters. Suitable for telecommunications, test and measurement, industrial connectivity, antenna connections, and patch panels, they support frequencies up to 4 GHz (1 GHz for RG-174). The assemblies use high-quality brass connectors with nickel plating and PTFE insulators, ensuring reliable electrical performance and durability.
BNC 50 Ohm Cable Assemblies
Amphenol RF's BNC 50 Ohm cable assemblies offer high-performance solutions utilizing various flexible cables. These assemblies feature a bayonet coupling mechanism for quick and secure mating, vibration-resistant connectors, and are available in lengths from 6 inches to 30 meters. Suitable for telecommunications, test and measurement, industrial connectivity, antenna connections, and patch panels, they support frequencies up to 4 GHz (1 GHz for RG-174). The assemblies use high-quality brass connectors with nickel plating and PTFE insulators, ensuring reliable electrical performance and durability.
Read More
The Amphenol RF IP67 HD-BNC Product Series features waterproof HD-BNC connectors designed for high-density applications that require protection against environmental elements. These connectors are 75% smaller than traditional BNC connectors, offer a bayonet-style positive lock mechanism, and are available in both 50 and 75 ohm configurations, making them ideal for high-definition cameras, military radios, broadcast studios, and remote industrial equipment.
IP67 Sealed HD-BNC Connector Series
The Amphenol RF IP67 HD-BNC Product Series features waterproof HD-BNC connectors designed for high-density applications that require protection against environmental elements. These connectors are 75% smaller than traditional BNC connectors, offer a bayonet-style positive lock mechanism, and are available in both 50 and 75 ohm configurations, making them ideal for high-definition cameras, military radios, broadcast studios, and remote industrial equipment.
Read More
Amphenol RF's BNC UltraFlex cable assemblies feature 50 Ohm BNC plug-to-plug configurations on flexible, low-loss LMR-UF cables. These assemblies support high-performance applications in industrial environments, long-distance connectivity, antenna connections, wireless communications, and radar and GPS systems. They offer reliable electrical performance up to 3 GHz, utilize a bayonet coupling mechanism for quick mating, and come in standard lengths from 12 inches to 30 meters. Constructed with machined brass and diecast zinc connectors with nickel plating, these assemblies ensure low attenuation loss and improved shielding for high-frequency applications.
BNC UltraFlex Cable Assemblies
Amphenol RF's BNC UltraFlex cable assemblies feature 50 Ohm BNC plug-to-plug configurations on flexible, low-loss LMR-UF cables. These assemblies support high-performance applications in industrial environments, long-distance connectivity, antenna connections, wireless communications, and radar and GPS systems. They offer reliable electrical performance up to 3 GHz, utilize a bayonet coupling mechanism for quick mating, and come in standard lengths from 12 inches to 30 meters. Constructed with machined brass and diecast zinc connectors with nickel plating, these assemblies ensure low attenuation loss and improved shielding for high-frequency applications.
Read More
Amphenol RF's Ruggedized BNC & TNC Cable Assemblies feature IP67 sealed 50 ohm connectors on RG-58 cable, with BNC's quick bayonet coupling and TNC's threaded coupling for stable performance. These assemblies are ideal for industrial, military, and commercial applications, available in standard lengths from 6 inches to 100 feet, with optional PVC armor for enhanced protection in rough environments.
Ruggedized BNC & TNC Cable Assemblies
Amphenol RF's Ruggedized BNC & TNC Cable Assemblies feature IP67 sealed 50 ohm connectors on RG-58 cable, with BNC's quick bayonet coupling and TNC's threaded coupling for stable performance. These assemblies are ideal for industrial, military, and commercial applications, available in standard lengths from 6 inches to 100 feet, with optional PVC armor for enhanced protection in rough environments.
Read More
Discover the key differences between the classic BNC connector and the high-performance HD-BNC connector in this quick comparison! From size and signal performance to applications in broadcasting, telecommunications, and beyond, find out which connector is best for your needs. 
Smaller Size, Bigger Performance
High-Density Connections
Perfect for Modern High-Frequency Systems

Watch now to see why HD-BNC might be your next go-to solution!

Check us out on social media:
https://www.facebook.com/officialAmphenolRF 
https://www.linkedin.com/company/amphenol-rf/mycompany/ 
https://www.twitter.com/AmphenolRF

Our Website:
https://www.amphenolrf.com
BNC vs. HD-BNC: What's the Difference?
Discover the key differences between the classic BNC connector and the high-performance HD-BNC connector in this quick comparison! From size and signal performance to applications in broadcasting, telecommunications, and beyond, find out which connector is best for your needs. Smaller Size, Bigger Performance High-Density Connections Perfect for Modern High-Frequency Systems Watch now to see why HD-BNC might be your next go-to solution! Check us out on social media: https://www.facebook.com/officialAmphenolRF https://www.linkedin.com/company/amphenol-rf/mycompany/ https://www.twitter.com/AmphenolRF Our Website: https://www.amphenolrf.com
Watch Video
September 23, 2020 - Today’s 4K and emerging 8K video standards require an enormous amount of bandwidth. And, with all that bandwidth, there are new demands on our interconnects. In this episode of Chalk Talk, Amelia Dalton chats with Mike Comer and Ron Orban of Amphenol RF about the evolution of broadcast technology and the latest interconnect solutions that are required to meet these new demands.
More information about Amphenol RF Adapters & Cable Assemblies for Broadcast: https://bit.ly/3iYYECS
RF Interconnect for 12G-SDI Broadcast Applications -- Amphenol RF and Mouser Electronics
September 23, 2020 - Today’s 4K and emerging 8K video standards require an enormous amount of bandwidth. And, with all that bandwidth, there are new demands on our interconnects. In this episode of Chalk Talk, Amelia Dalton chats with Mike Comer and Ron Orban of Amphenol RF about the evolution of broadcast technology and the latest interconnect solutions that are required to meet these new demands. More information about Amphenol RF Adapters & Cable Assemblies for Broadcast: https://bit.ly/3iYYECS
Watch Video
3 Step process on how to install Coaxial Connector on RG-59 Cable correctly.
Amphenol - How to Crimp a BNC 3 Piece Crimp Coaxial Connector on RG 59 Cable
3 Step process on how to install Coaxial Connector on RG-59 Cable correctly.
Watch Video
Amphenol RF, the inventor of the BNC, introduces the High Density BNC family of connectors. HD-BNC delivers true 75 ohm performance in a footprint 51% smaller than traditional BNC connectors, allowing four times the density, and 40% smaller than the DIN 1.0/2.3.
Amphenol - BNC, How it Works
Amphenol RF, the inventor of the BNC, introduces the High Density BNC family of connectors. HD-BNC delivers true 75 ohm performance in a footprint 51% smaller than traditional BNC connectors, allowing four times the density, and 40% smaller than the DIN 1.0/2.3.
Watch Video
Learn how to crimp a BNC three-piece crimp coaxial connector on the popular RG-59 cable type from an Amphenol RF product manager.
How to Crimp a BNC 3 Piece Crimp Coaxial Connector on RG-59 Cable
Learn how to crimp a BNC three-piece crimp coaxial connector on the popular RG-59 cable type from an Amphenol RF product manager.
Watch Video
View full article: https://www.allaboutcircuits.com/new-industry-products/amphenol-rf-bnc-to-mcx-cable-assemblies-new-product-brief

View product at Mouser.com: https://bit.ly/2Vp4mmU

Amphenol RF BNC to MCX Cable Assemblies are designed to deliver 4K video and other high bandwidth data on a compact interconnect without compromising signal quality. The cable assemblies offer a 75 ohm impedance and use Belden 4855R cable, ensuring quality transmission from the source to the receiver. For more information, as well as all the latest All About Circuits projects and articles, visit the official website at http://www.allaboutcircuits.com/

Check out Mouser's profile on All About Circuits and see more
product briefs and articles at https://www.allaboutcircuits.com/author/mouser-electronics

For more new products at Mouser, visit https://www.mouser.com/new/

Don't have AAC account yet? Register here! It's free and always will be. https://forum.allaboutcircuits.com/register

Subscribe on YouTube: https://www.youtube.com/c/AllAboutCircuitsVideo
Like us on Facebook: https://www.facebook.com/allaboutcircuits
Follow us on Twitter: https://twitter.com/AllAboutCircuit
Follow us on LinkedIn: https://www.linkedin.com/company/allaboutcircuits
Amphenol RF BNC to MCX Cable Assemblies | New Product Brief
View full article: https://www.allaboutcircuits.com/new-industry-products/amphenol-rf-bnc-to-mcx-cable-assemblies-new-product-brief View product at Mouser.com: https://bit.ly/2Vp4mmU Amphenol RF BNC to MCX Cable Assemblies are designed to deliver 4K video and other high bandwidth data on a compact interconnect without compromising signal quality. The cable assemblies offer a 75 ohm impedance and use Belden 4855R cable, ensuring quality transmission from the source to the receiver. For more information, as well as all the latest All About Circuits projects and articles, visit the official website at http://www.allaboutcircuits.com/ Check out Mouser's profile on All About Circuits and see more product briefs and articles at https://www.allaboutcircuits.com/author/mouser-electronics For more new products at Mouser, visit https://www.mouser.com/new/ Don't have AAC account yet? Register here! It's free and always will be. https://forum.allaboutcircuits.com/register Subscribe on YouTube: https://www.youtube.com/c/AllAboutCircuitsVideo Like us on Facebook: https://www.facebook.com/allaboutcircuits Follow us on Twitter: https://twitter.com/AllAboutCircuit Follow us on LinkedIn: https://www.linkedin.com/company/allaboutcircuits
Watch Video

Send us a Message

Please fill in the form below and we will contact you very soon.

Fields marked with an asterisk (*) are required.