FAKRA Connectors

Color-coded automotive RF connectors engineered for reliable high-speed in-vehicle systems

Overview

Amphenol RF's FAKRA connector series delivers dependable 50 Ω performance in automotive and telematics applications, combining secure locking and color-coded housings for seamless vehicle integration. With support for up to 6 GHz in standard packages and broadcast configurations reaching 12 GHz, FAKRA connectors enable stable, interference-free signals throughout infotainment, telematics, and advanced driver assistance systems (ADAS).

Built to withstand vibration, thermal cycling, and environmental stress, FAKRA connectors maintain consistent signal integrity in harsh driving conditions. Their standardized keying and color codes simplify assembly, prevent cross-mating between systems, and support reliable service and manufacturing processes.

Features and Benefits
  • Color-coded housings & keyed interfaces reduce assembly errors and ensure signal pathway separation
  • Secure latch coupling provides reliable retention during vehicle operation and maintenance
  • High-speed capability supports RF performance beyond 6 GHz, with broadcast-grade options up to 12 GHz
  • Robust vehicle-grade design suited for vibration, temperature extremes, and repeated mating cycles
  • Multiple configurations—vertical, right-angle, cable plug, and panel mount options cater to diverse installation needs
Key Technical Details
  • Impedance: Nominal 50 Ω for RF applications
  • Frequency Range: Standard FAKRA to 6 GHz; broadcast flexible cable assemblies support up to 12 GHz
  • Coupling Style: Snap-fit latch with keying and color coding for reliable, error-free mating
  • Housing Materials: High-temperature thermoplastics with sealed interfaces for moisture protection
  • Cable Compatibility: Works with typical automotive RG-174, RG-316 micro-coax, and broadcast-grade cables
Applications
  • Automotive infotainment – GPS, AM/FM/DAB antennas, satellite radio
  • ADAS and parking assist systems – camera feeds and sensor cabling
  • Telematics and cellular modules – vehicle connectivity and V2X communications
  • Broadcast & rear-seat entertainment – high-speed video links with 12 GHz rating on select cables
  • Replacement and retrofit bundles – standardized connectors simplify maintenance and upgrades

Browse our full FAKRA connector range with a variety of key codes, plug/jack styles, and mounting arrangements. For custom cable assemblies, hybrid board-to-cable interfaces, or broadcast-grade adaptations, contact our technical team to develop the perfect solution for your application.

Specifications

FAKRA Connectors

Electrical

Impedance 50 Ohm
Frequency Range DC - 3 GHz
Voltage Rating 335 Volts RMS Continuous
Dielectric Withstanding Voltage 800 VRMS Max
VSWR  (Return Loss)
DC - 200 MHz
1.2 (-21 dB) Max
200 - 500 MHz
1.35 (-16 dB) Max
500 MHz - 2 GHz
1.4 (-15 dB) Max
2 GHz - 3 GHz
1.5 (-14dB) Max
3 - 6 GHz
1.6 (-13dB) Max
Insulation Resistance 100 MΩ Min
Center Contact Resistance 24 mΩ Max
Outer Contact Resistance 5 mΩ Max (6 mΩ after Environmental Testing)
Contact Current (dependent on cable size) ≤1 A DC
Insertion Loss
DC - 200 MHz
0.15 dB
200 - 500 MHz
0.25 dB
500 MHz - 2 GHz
0.3 dB
2 - 3 GHz
0.3 dB
3 - 6 GHz
0.45 dB
Power Handling 95 W Max @ 1 GHz @ 25ºC

Environmental

Temperature Range −40°C to +105°C
Thermal Shock USCAR-2, para 5.6.1
Vibration USCAR-2, para 5.4.6
Mechanical Shock USCAR-2, para 5.4.6
Temperature/Humidity Cycling USCAR-2, para 5.6.2
High Temperature Exposure USCAR-2, para 5.6.3

Mechanical

Mating Cycles 25 Min
Coupling Mechanism Push-On
Interface Specification USCAR-18
Engagement Force, per USCAR-25, Table 3.1 5.6 - 10.1 lbs (25 - 45 N)
Disengagement Force, per USCAR-17 5.4.2.4 16.9 lbs (<75N)

Note: These characteristics are typical and may not apply to all connectors.
Connector configurations may affect performance.


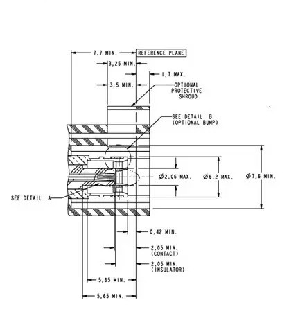
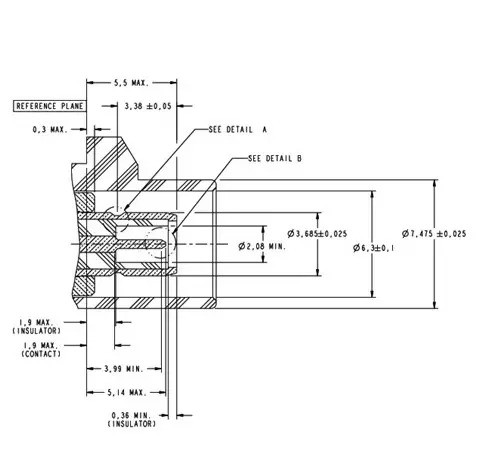
Interface Dimensions

Plug
Jack

Related Resources

Optimize space and increase bandwidth with multi-port mini-FAKRA breakout cables
Amphenol RF is pleased to expand its cable assembly portfolio with fixed length AUTOMATE Type A Mini-FAKRA quad-port jack to (4) SMA plugs or jacks designed on low loss TFC-302LL cable.
Read More
Create connections between vehicles and RF interfaces with new FAKRA to SMA adapters
Amphenol RF introduces high-performance FAKRA to SMA adapters into our extensive catalog of RF interconnect products.
Read More
FAKRA to AMC4 cable assemblies expand space conscious options
Amphenol RF is pleased to introduce the FAKRA to AMC4 cable assembly product series. This preconfigured assembly combines the automotive industry standard FAKRA connector with the ultraminiature AMC4 connector on the flexible 1.13 mm micro coax cable.
Read More
Protect your open FAKRA ports with IP67 rated cap solution
Amphenol RF is pleased to expand our extensive line of FAKRA interconnect with a universal FAKRA cap.
Read More
Achieve next-generation automotive connectivity with Amphenol RF’s AUTOMATE mini-FAKRA series
Amphenol RF is proud to introduce the AUTOMATE Mini-FAKRA connector series, the latest in automotive interconnect technology.
Read More
RF interconnect for compute modules
Let’s start with the basics - what are compute modules? Compute modules are devices within a vehicle that process inputs and store data.
Read More
Optimize space with Mini-FAKRA to IP67 FAKRA automotive interconnect cable solutions
Amphenol RF is pleased to expand our AUTOMATE Type A mini-FAKRA breakout cable line with additional connector configurations and cable types.
Read More
Develop next-generation automotive applications with pre-configured FAKRA cable assemblies
Amphenol RF introduces a line of pre-configured FAKRA cable assemblies supporting frequencies through 3 GHz and ideal for a wide range of automotive development applications.
Read More
High-bandwidth automotive performance with expanded mini-FAKRA PCB portfolio
Amphenol RF is pleased to expand our multiport AUTOMATE Type A Mini-FAKRA portfolio with additional PCB options.
Read More
New IP67 FAKRA rear-mount bulkhead plug supports larger diameter cables
Amphenol RF is pleased to introduce a new IP67 FAKRA straight crimp rear mount bulkhead plug into our expansive automotive and industrial portfolio.
Read More
Meet next-gen design requirements with new mini-FAKRA cable assemblies
Amphenol RF is pleased to expand our AUTOMATE Type A mini-FAKRA portfolio with additional pre-configured breakout cable options designed on industry-standard cable types.
Read More
Add protection with IP67 rear-mount bulkhead FAKRA connector
Amphenol RF is pleased to introduce the IP67 waterproof FAKRA generation 2 rear mount bulkhead straight plug into our expansive automotive portfolio.
Read More
Develop and expand connectivity options for RFID and industrial applications
Amphenol RF is pleased to offer cable assembly configurations featuring popular RF interfaces that are uniquely engineered to support RFID applications.
Read More
Enabling automotive and IIoT tech with pre-configured AUTOMATE mini-FAKRA cable assemblies
Amphenol RF is pleased to expand our AUTOMATE Mini-FAKRA cable assembly portfolio with additional pre-configured cable assemblies.
Read More
Driving new technology with pre-configured AUTOMATE Mini-FAKRA cable assemblies
Amphenol RF is pleased to expand our AUTOMATE Type A Mini-FAKRA product series with pre-configured cable assemblies.
Read More
Increase flexibility with new FAKRA to SMA cable assemblies
Amphenol RF is pleased to introduce FAKRA to SMA cable assemblies into our robust product portfolio.
Read More
Boost Reliability With Resistant IP67 FAKRA Rear Mount Bulkhead Plug For RG-178 Cable
Amphenol RF expands its robust portfolio of FAKRA connectors to include a sealed IP67 straight crimp plug option designed for RG-178 cable.
Read More
Durable IP67 FAKRA Rear Mount Bulkhead Plugs Support Increased Compatibility
Amphenol RF expands its wide portfolio of FAKRA connectors to include new sealed IP67 straight crimp plug options designed for RG-58 and LMR-195 cable types.
Read More
Amphenol RF’s Locking FAKRA to MHF I LK cable assemblies deliver robust, high-frequency performance with a secure locking mechanism, engineered specifically for environments exposed to continuous vibration and motion. Supporting frequencies up to 6 GHz, these assemblies ensure stable and reliable electrical connections, making them ideal for cutting-edge applications in drones, smart cabins, ADAS, driver monitoring, and RFID systems.
FAKRA Plug to MHF I LK Cable Assemblies
Amphenol RF’s Locking FAKRA to MHF I LK cable assemblies deliver robust, high-frequency performance with a secure locking mechanism, engineered specifically for environments exposed to continuous vibration and motion. Supporting frequencies up to 6 GHz, these assemblies ensure stable and reliable electrical connections, making them ideal for cutting-edge applications in drones, smart cabins, ADAS, driver monitoring, and RFID systems.
Read More
The FAKRA to SMA Adapter datasheet describes Amphenol RF’s FAKRA to SMA adapters, which connect FAKRA-based automotive systems to SMA RF devices using a push-on FAKRA and threaded SMA interface for secure, application-specific connections up to 4 GHz. The adapters feature rugged nickel-plated brass bodies, gold-plated contacts, PTFE insulation, and glass-filled nylon housing, providing excellent return loss, high mating durability (500+ cycles), and reliable performance from −65°C to +165°C in automotive, industrial automation, telecom, connected vehicle, and RF test applications.
FAKRA to SMA Adapter Datasheet
The FAKRA to SMA Adapter datasheet describes Amphenol RF’s FAKRA to SMA adapters, which connect FAKRA-based automotive systems to SMA RF devices using a push-on FAKRA and threaded SMA interface for secure, application-specific connections up to 4 GHz. The adapters feature rugged nickel-plated brass bodies, gold-plated contacts, PTFE insulation, and glass-filled nylon housing, providing excellent return loss, high mating durability (500+ cycles), and reliable performance from −65°C to +165°C in automotive, industrial automation, telecom, connected vehicle, and RF test applications.
Read More
Amphenol RF offers advanced RF interconnect solutions tailored for camera and vision systems used in automotive and industrial applications. These solutions include ruggedized, waterproof, and vibration-resistant connectors, ideal for high-frequency and high-speed data transmission.
Camera and Vision Systems Solutions
Amphenol RF offers advanced RF interconnect solutions tailored for camera and vision systems used in automotive and industrial applications. These solutions include ruggedized, waterproof, and vibration-resistant connectors, ideal for high-frequency and high-speed data transmission.
Read More
The Amphenol RF AUTOMATE® Mini-FAKRA Type A connectors offer an advanced automotive connector system. These features make the AUTOMATE Mini-FAKRA Type A connectors ideal for high-bandwidth automotive applications such as ADAS, GPS navigation, and 360-degree surround view cameras.
AUTOMATE Type A Mini-FAKRA Features & Benefits
The Amphenol RF AUTOMATE® Mini-FAKRA Type A connectors offer an advanced automotive connector system. These features make the AUTOMATE Mini-FAKRA Type A connectors ideal for high-bandwidth automotive applications such as ADAS, GPS navigation, and 360-degree surround view cameras.
Read More
The Amphenol RF FAKRA to AMC Cable Assemblies datasheet highlights fixed-length assemblies designed for automotive and IoT applications. These IP67-rated assemblies combine FAKRA connectors with micro-miniature AMC connectors on 1.37 mm ultra-flexible coax cable, providing compact and sealed solutions ideal for DSRC, V2X, V2V technologies, 360-degree cameras, ADAS, smart boxes, and remote control access​​.
FAKRA to AMC Cable Assemblies
The Amphenol RF FAKRA to AMC Cable Assemblies datasheet highlights fixed-length assemblies designed for automotive and IoT applications. These IP67-rated assemblies combine FAKRA connectors with micro-miniature AMC connectors on 1.37 mm ultra-flexible coax cable, providing compact and sealed solutions ideal for DSRC, V2X, V2V technologies, 360-degree cameras, ADAS, smart boxes, and remote control access​​.
Read More
The "Sealed FAKRA Cut Sheet" highlights FAKRA/USCAR mechanical coding for connectors. These connectors are designed for secure and reliable automotive applications, featuring mechanical and color coding to prevent mismating. The sealed FAKRA connectors are IP67 rated, providing protection against dust and temporary submersion in water, making them ideal for use in harsh environments​​.
Sealed FAKRA Connector Series
The "Sealed FAKRA Cut Sheet" highlights FAKRA/USCAR mechanical coding for connectors. These connectors are designed for secure and reliable automotive applications, featuring mechanical and color coding to prevent mismating. The sealed FAKRA connectors are IP67 rated, providing protection against dust and temporary submersion in water, making them ideal for use in harsh environments​​.
Read More
The Amphenol RF FAKRA Cable Assemblies cutsheet details fixed length assemblies using RG-58 and RG-174 cables, featuring FAKRA connectors suitable for high-frequency transmission up to 3 GHz. These universally keyed connectors are available in various configurations and lengths from 12 inches to 5 meters, ideal for automotive applications like ADAS, GPS, and infotainment systems​​.
FAKRA Cable Assemblies
The Amphenol RF FAKRA Cable Assemblies cutsheet details fixed length assemblies using RG-58 and RG-174 cables, featuring FAKRA connectors suitable for high-frequency transmission up to 3 GHz. These universally keyed connectors are available in various configurations and lengths from 12 inches to 5 meters, ideal for automotive applications like ADAS, GPS, and infotainment systems​​.
Read More
The Amphenol RF FAKRA to AMC4 Cable Assemblies Data Sheet highlights a versatile, high-performance interconnect solution designed for automotive, IoT, and compact RF applications. These cable assemblies combine the secure, high-reliability FAKRA interface with the ultra-miniature AMC4 connector, ensuring seamless integration in space-constrained designs without compromising signal integrity. Engineered for low-loss transmission and robust mechanical performance, they are ideal for antenna connections, telematics, and wireless communication systems.
FAKRA to AMC4 Cable Assemblies
The Amphenol RF FAKRA to AMC4 Cable Assemblies Data Sheet highlights a versatile, high-performance interconnect solution designed for automotive, IoT, and compact RF applications. These cable assemblies combine the secure, high-reliability FAKRA interface with the ultra-miniature AMC4 connector, ensuring seamless integration in space-constrained designs without compromising signal integrity. Engineered for low-loss transmission and robust mechanical performance, they are ideal for antenna connections, telematics, and wireless communication systems.
Read More
The Amphenol RF FAKRA Technical Guide outlines the features and applications of FAKRA connectors, which are designed for the automotive industry to support systems like GPS, cellular, Bluetooth, and satellite radio. The guide highlights their compliance with FAKRA and USCAR standards, their ability to handle frequencies up to 6 GHz, and the introduction of the AUTOMATE® (mini-FAKRA) series for higher data transmission rates up to 20 Gbps, suitable for autonomous and connected vehicles.
FAKRA Technical Resource
The Amphenol RF FAKRA Technical Guide outlines the features and applications of FAKRA connectors, which are designed for the automotive industry to support systems like GPS, cellular, Bluetooth, and satellite radio. The guide highlights their compliance with FAKRA and USCAR standards, their ability to handle frequencies up to 6 GHz, and the introduction of the AUTOMATE® (mini-FAKRA) series for higher data transmission rates up to 20 Gbps, suitable for autonomous and connected vehicles.
Read More
The Amphenol RF FAKRA to SMA Cable Assemblies Datasheet details pre-configured 50 ohm cable assemblies available in various lengths, designed for automotive and industrial applications such as ADAS, GPS, RFID, and wireless infrastructure. These assemblies feature flexible cables and high-quality connectors, providing reliable performance up to 3 GHz without the need for additional tooling.
FAKRA to SMA Cable Assemblies
The Amphenol RF FAKRA to SMA Cable Assemblies Datasheet details pre-configured 50 ohm cable assemblies available in various lengths, designed for automotive and industrial applications such as ADAS, GPS, RFID, and wireless infrastructure. These assemblies feature flexible cables and high-quality connectors, providing reliable performance up to 3 GHz without the need for additional tooling.
Read More
Amphenol RF's AUTOMATE Mini-FAKRA to IP67 FAKRA breakout cables feature a quad-port Mini-FAKRA jack to four IP67 FAKRA jacks on low-loss RG-174 cable. These assemblies, designed for high-bandwidth automotive and industrial applications such as 360-degree cameras and ADAS, offer secure snap-on interfaces with low engagement forces, providing high performance up to 3 GHz. They feature rugged, impact-resistant housing with universal Z color coding and mechanical keying for intermateability, ensuring easy and reliable installation.
AUTOMATE Mini-FAKRA to FAKRA Breakout Cables
Amphenol RF's AUTOMATE Mini-FAKRA to IP67 FAKRA breakout cables feature a quad-port Mini-FAKRA jack to four IP67 FAKRA jacks on low-loss RG-174 cable. These assemblies, designed for high-bandwidth automotive and industrial applications such as 360-degree cameras and ADAS, offer secure snap-on interfaces with low engagement forces, providing high performance up to 3 GHz. They feature rugged, impact-resistant housing with universal Z color coding and mechanical keying for intermateability, ensuring easy and reliable installation.
Read More
The Amphenol RF Generation 4 FAKRA Solutions Guide details the latest generation of FAKRA connectors, featuring an upgraded SMB connector design with fully automated cable termination and compliance with USCAR and FAKRA 2 standards. These connectors support high-volume automotive applications such as surround cameras, infotainment, GPS, and emerging technologies like autonomous vehicle systems, offering benefits like ruggedized housings, multiple key codes, and reliable performance up to 6 GHz.
Amphenol RF FAKRA Generation 4.0 Product Series Solutions Guide
The Amphenol RF Generation 4 FAKRA Solutions Guide details the latest generation of FAKRA connectors, featuring an upgraded SMB connector design with fully automated cable termination and compliance with USCAR and FAKRA 2 standards. These connectors support high-volume automotive applications such as surround cameras, infotainment, GPS, and emerging technologies like autonomous vehicle systems, offering benefits like ruggedized housings, multiple key codes, and reliable performance up to 6 GHz.
Read More
FAKRA Generation 4.0 Solutions Guide featuring FAKRA cable and pcb connectors. Stamped and formed designs are ideal for high speed automated assembly.
Amphenol RF FAKRA Generation 4.0 Product Series Solutions Guide
FAKRA Generation 4.0 Solutions Guide featuring FAKRA cable and pcb connectors. Stamped and formed designs are ideal for high speed automated assembly.
Read More
The Amphenol RF Generation 4 FAKRA Solutions Guide details the latest generation of FAKRA connectors, featuring an upgraded SMB connector design with fully automated cable termination and compliance with USCAR and FAKRA 2 standards. These connectors support high-volume automotive applications such as surround cameras, infotainment, GPS, and emerging technologies like autonomous vehicle systems, offering benefits like ruggedized housings, multiple key codes, and reliable performance up to 6 GHz.
FAKRA Generation 4.0 Solutions
The Amphenol RF Generation 4 FAKRA Solutions Guide details the latest generation of FAKRA connectors, featuring an upgraded SMB connector design with fully automated cable termination and compliance with USCAR and FAKRA 2 standards. These connectors support high-volume automotive applications such as surround cameras, infotainment, GPS, and emerging technologies like autonomous vehicle systems, offering benefits like ruggedized housings, multiple key codes, and reliable performance up to 6 GHz.
Read More
The Amphenol RF Generation 4 FAKRA Solutions Guide details the latest generation of FAKRA connectors, featuring an upgraded SMB connector design with fully automated cable termination and compliance with USCAR and FAKRA 2 standards. These connectors support high-volume automotive applications such as surround cameras, infotainment, GPS, and emerging technologies like autonomous vehicle systems, offering benefits like ruggedized housings, multiple key codes, and reliable performance up to 6 GHz.
FAKRA Generation 4.0 Solutions
The Amphenol RF Generation 4 FAKRA Solutions Guide details the latest generation of FAKRA connectors, featuring an upgraded SMB connector design with fully automated cable termination and compliance with USCAR and FAKRA 2 standards. These connectors support high-volume automotive applications such as surround cameras, infotainment, GPS, and emerging technologies like autonomous vehicle systems, offering benefits like ruggedized housings, multiple key codes, and reliable performance up to 6 GHz.
Read More
The Amphenol RF FAKRA Cable Assemblies Overview highlights high-performance TFC-302LL cable assemblies designed for automotive and industrial applications. It details their low-loss characteristics, secure FAKRA connectors, and suitability for high-frequency signal transmission in demanding environments.
FAKRA Cable Assemblies on TFC 302LL
The Amphenol RF FAKRA Cable Assemblies Overview highlights high-performance TFC-302LL cable assemblies designed for automotive and industrial applications. It details their low-loss characteristics, secure FAKRA connectors, and suitability for high-frequency signal transmission in demanding environments.
Read More
Amphenol RF's AUTOMATE Type A Mini-FAKRA to FAKRA breakout cables feature compact, modular housings with multi-port configurations, utilizing low-loss, flexible cables. These assemblies are ideal for high-bandwidth automotive and industrial applications, including 360-degree cameras, advanced driver assistance systems (ADAS), and GPS, providing reliable performance up to 6 GHz.
AUTOMATE Mini-FAKRA to FAKRA Cable Assemblies
Amphenol RF's AUTOMATE Type A Mini-FAKRA to FAKRA breakout cables feature compact, modular housings with multi-port configurations, utilizing low-loss, flexible cables. These assemblies are ideal for high-bandwidth automotive and industrial applications, including 360-degree cameras, advanced driver assistance systems (ADAS), and GPS, providing reliable performance up to 6 GHz.
Read More
Amphenol RF's FAKRA rear mount bulkhead crimp plugs are engineered for automotive and industrial applications, supporting TFC 302LL and RG-174 cables. These connectors provide reliable electrical performance up to 6 GHz, feature IP67-rated waterproofing, and are available in various color-coded key codes for easy installation.
FAKRA IP67 Rear Mount Bulkhead Crimp Plugs
Amphenol RF's FAKRA rear mount bulkhead crimp plugs are engineered for automotive and industrial applications, supporting TFC 302LL and RG-174 cables. These connectors provide reliable electrical performance up to 6 GHz, feature IP67-rated waterproofing, and are available in various color-coded key codes for easy installation.
Read More
AUTOMATE Mini-FAKRA connectors are revolutionizing cable assemblies with their compact design and robust performance. In this short, we summarize what makes AUTOMATE mini-FAKRA connectors unique, how they’re used in automotive, industrial, and other high-tech applications, and why they’re crucial for today’s advanced connectivity needs. Perfect for tech enthusiasts, engineers, and anyone curious about high-performance cable assemblies!

View these products on our website:
https://www.amphenolrf.com/rf-cable-assemblies/automate-type-a-cable-assemblies.html

Check us out on social media:
https://www.facebook.com/officialAmphenolRF 
https://www.linkedin.com/company/amphenol-rf/mycompany/ 
https://www.twitter.com/AmphenolRF

Our Website:
https://www.amphenolrf.com
AUTOMATE Mini-FAKRA Cable Assemblies for Compact, Precise Connections
AUTOMATE Mini-FAKRA connectors are revolutionizing cable assemblies with their compact design and robust performance. In this short, we summarize what makes AUTOMATE mini-FAKRA connectors unique, how they’re used in automotive, industrial, and other high-tech applications, and why they’re crucial for today’s advanced connectivity needs. Perfect for tech enthusiasts, engineers, and anyone curious about high-performance cable assemblies! View these products on our website: https://www.amphenolrf.com/rf-cable-assemblies/automate-type-a-cable-assemblies.html Check us out on social media: https://www.facebook.com/officialAmphenolRF https://www.linkedin.com/company/amphenol-rf/mycompany/ https://www.twitter.com/AmphenolRF Our Website: https://www.amphenolrf.com
Watch Video
Welcome to the next era of connectivity! In this video, we unveil the latest generation of FAKRA connectors, revolutionizing the industry with their cutting-edge features and performance. These connectors are engineered to meet the growing demands of modern applications, offering enhanced reliability, durability, and versatility. 

Check us out on social media:
www.facebook.com/officialAmphenolRF 
www.linkedin.com/company/amphenol-rf/mycompany/ 
www.twitter.com/AmphenolRF

Our Website:
www.amphenolrf.com
FAKRA Generation 4.0
Welcome to the next era of connectivity! In this video, we unveil the latest generation of FAKRA connectors, revolutionizing the industry with their cutting-edge features and performance. These connectors are engineered to meet the growing demands of modern applications, offering enhanced reliability, durability, and versatility. Check us out on social media: www.facebook.com/officialAmphenolRF www.linkedin.com/company/amphenol-rf/mycompany/ www.twitter.com/AmphenolRF Our Website: www.amphenolrf.com
Watch Video
May 5, 2021 -- Modern and future automotive systems will put enormous demands on RF. We need reliable, high-bandwidth, low-latency, secure wireless connections between cars and infrastructure, from car to car, and within systems on each car. In this episode of Chalk Talk, Amelia Dalton chats with Owen Barthelmes and Kelly Freeman of Amphenol RF to talk about interconnects for these new, challenging automotive RF systems.
More information about Amphenol RF FAKRA Automotive Connectors: https://bit.ly/3b2mhJ2
RF Interconnect for Automotive Applications -- Amphenol RF and Mouser Electronics
May 5, 2021 -- Modern and future automotive systems will put enormous demands on RF. We need reliable, high-bandwidth, low-latency, secure wireless connections between cars and infrastructure, from car to car, and within systems on each car. In this episode of Chalk Talk, Amelia Dalton chats with Owen Barthelmes and Kelly Freeman of Amphenol RF to talk about interconnects for these new, challenging automotive RF systems. More information about Amphenol RF FAKRA Automotive Connectors: https://bit.ly/3b2mhJ2
Watch Video
Join Paul Golata for a discussion with Greg Smith (Amphenol Communication Solutions) and Matt Burke (Amphenol RF) to learn how their products shape the efficiency and workflow through autonomous mobile robots in industrial settings.

Learn More:
Amphenol RF AUTOMATE® Type A Mini-FAKRA Connectors: https://mou.sr/pluggedin-5

Amphenol FCI Bergstak® Board-to-Board Connectors: https://mou.sr/pluggedin-5-2


See the NEWEST Products: http://mou.sr/MouserNew-yt

Subscribe to our Newsletter: http://mou.sr/MouserSignup-yt

Like us on Facebook: https://www.facebook.com/mouserelectronics

Follow us on Twitter: https://www.twitter.com/MouserElec (Americas)

Follow us on Twitter: https://www.twitter.com/MouserElecEU (Europe)

Follow us on LinkedIn: https://www.linkedin.com/company/26041/

#Amphenol #MouserElectronics #PluggedInSeries #MoreWithMouser #AutonomousMobileRobots
Industrial Autonomous Mobile Robots | Plugged In presented by Amphenol and Mouser Electronics
Join Paul Golata for a discussion with Greg Smith (Amphenol Communication Solutions) and Matt Burke (Amphenol RF) to learn how their products shape the efficiency and workflow through autonomous mobile robots in industrial settings. Learn More: Amphenol RF AUTOMATE® Type A Mini-FAKRA Connectors: https://mou.sr/pluggedin-5 Amphenol FCI Bergstak® Board-to-Board Connectors: https://mou.sr/pluggedin-5-2 See the NEWEST Products: http://mou.sr/MouserNew-yt Subscribe to our Newsletter: http://mou.sr/MouserSignup-yt Like us on Facebook: https://www.facebook.com/mouserelectronics Follow us on Twitter: https://www.twitter.com/MouserElec (Americas) Follow us on Twitter: https://www.twitter.com/MouserElecEU (Europe) Follow us on LinkedIn: https://www.linkedin.com/company/26041/ #Amphenol #MouserElectronics #PluggedInSeries #MoreWithMouser #AutonomousMobileRobots
Watch Video
Amphenol RFs AUTOMATE Mini-FAKRA product series is a space-conscious, high-performance interface central to the next generation of vehicle applications. With multiport configurations and support for up to 20 Gbps data transmission, AUTOMATE connectors reduce installation space requirements by up to 80% compared to previous FAKRA connectors. Color-coded housings provide visual guidance during the assembly process while mechanical keying options prevent mismating of connectors. Foolproof installation is aided by industry-leading mating forces. This series is fully compatible with existing mini-FAKRA connectors and is available in pre-configured cable assemblies to reduce cost and tooling needs. AUTOMAT Mini-FAKRA is ideal for a variety of automotive and industrial IoT applications.
https://www.digikey.com/en/product-highlight/a/amphenol-fci/minitek-pwr-cem-5-pcie-connector-system
Amphenol RF AUTOMATE Mini-FAKRA | Datasheet Preview
Amphenol RFs AUTOMATE Mini-FAKRA product series is a space-conscious, high-performance interface central to the next generation of vehicle applications. With multiport configurations and support for up to 20 Gbps data transmission, AUTOMATE connectors reduce installation space requirements by up to 80% compared to previous FAKRA connectors. Color-coded housings provide visual guidance during the assembly process while mechanical keying options prevent mismating of connectors. Foolproof installation is aided by industry-leading mating forces. This series is fully compatible with existing mini-FAKRA connectors and is available in pre-configured cable assemblies to reduce cost and tooling needs. AUTOMAT Mini-FAKRA is ideal for a variety of automotive and industrial IoT applications. https://www.digikey.com/en/product-highlight/a/amphenol-fci/minitek-pwr-cem-5-pcie-connector-system
Watch Video
Discover how Amphenol RF’s AUTOMATE® Mini-FAKRA connecters and cable assemblies offer reliable, high-performance connectivity for automotive and industrial applications. In this video, we explore the features of our standard mini-FAKRA solutions and dive into the custom engineering capabilities that set us apart. Whether you need unique configurations, specialized materials or enhanced performance for harsh environments, our global team of engineers can design a solution tailored to your exact design specifications. From compact, modular housing to flexible cable options, Amphenol RF delivers high-quality FAKRA solutions for your most demanding applications.

Learn how our expertise can power your next project! Don’t forget to subscribe for more insights into our advanced RF interconnects and custom-engineered solutions.

AUTOMATE® Product Catalog: https://www.amphenolrf.com/library/download/link/link_id/600297/

Check us out on social media:
https://www.facebook.com/officialAmphenolRF 
https://www.linkedin.com/company/amphenol-rf/mycompany/ 
https://www.twitter.com/AmphenolRF

Our Website:
https://www.amphenolrf.com
AUTOMATE® Mini-FAKRA Connectors and Cable Assemblies: Next Generation Connectivity
Discover how Amphenol RF’s AUTOMATE® Mini-FAKRA connecters and cable assemblies offer reliable, high-performance connectivity for automotive and industrial applications. In this video, we explore the features of our standard mini-FAKRA solutions and dive into the custom engineering capabilities that set us apart. Whether you need unique configurations, specialized materials or enhanced performance for harsh environments, our global team of engineers can design a solution tailored to your exact design specifications. From compact, modular housing to flexible cable options, Amphenol RF delivers high-quality FAKRA solutions for your most demanding applications. Learn how our expertise can power your next project! Don’t forget to subscribe for more insights into our advanced RF interconnects and custom-engineered solutions. AUTOMATE® Product Catalog: https://www.amphenolrf.com/library/download/link/link_id/600297/ Check us out on social media: https://www.facebook.com/officialAmphenolRF https://www.linkedin.com/company/amphenol-rf/mycompany/ https://www.twitter.com/AmphenolRF Our Website: https://www.amphenolrf.com
Watch Video
The Amphenol RF FAKRA Rear-Mount Crimp Plugs are engineered for RF signal transmission in automotive and harsh-environment applications. Featuring a 50-ohm impedance and operating up to 6 GHz, these connectors utilize a push-on coupling mechanism for fast and secure mating. Their IP67 waterproof rating and rugged housing are great for outdoor or high-vibration settings. The rear-mount design supports panel sealing, and the connectors are available in multiple keyed configurations to ensure proper alignment and reduce connection errors.

https://www.digikey.com/en/product-highlight/a/amphenol-rf-division/fakra-rear-mount-bulkhead-crimp-plugs

Maker.io - https://www.digikey.com/en/maker
DigiKey’s Blog – TheCircuit https://www.digikey.com/en/blog
Connect with DigiKey on Facebook https://www.facebook.com/digikey.electronics/ 
And follow us on X (formerly Twitter) https://twitter.com/digikey
FAKRA Rear-Mount Bulkhead Crimp Plugs from Amphenol RF PIO | DigiKey
The Amphenol RF FAKRA Rear-Mount Crimp Plugs are engineered for RF signal transmission in automotive and harsh-environment applications. Featuring a 50-ohm impedance and operating up to 6 GHz, these connectors utilize a push-on coupling mechanism for fast and secure mating. Their IP67 waterproof rating and rugged housing are great for outdoor or high-vibration settings. The rear-mount design supports panel sealing, and the connectors are available in multiple keyed configurations to ensure proper alignment and reduce connection errors. https://www.digikey.com/en/product-highlight/a/amphenol-rf-division/fakra-rear-mount-bulkhead-crimp-plugs Maker.io - https://www.digikey.com/en/maker DigiKey’s Blog – TheCircuit https://www.digikey.com/en/blog Connect with DigiKey on Facebook https://www.facebook.com/digikey.electronics/ And follow us on X (formerly Twitter) https://twitter.com/digikey
Watch Video
Amphenol RF FAKRA Automotive Connectors are designed to perform up to 6GHz and meet the particular mechanical and environmental requirements of the automotive industry to ensure reliable communication inside, to, and from vehicles.

Learn More: https://www.mouser.com/new/amphenol/amphenol-rf-fakra-connectors/?utm_source=supplyframe3for3video&utm_medium=video&utm_campaign=69532402&utm_content=&utm_id=7174423779

0:08 What are Amphenol RF FAKRA Automotive Connectors?
1:13 How do Amphenol RF FAKRA Automotive Connectors support communication inside, to, and from vehicles?
1:56 Where are Amphenol RF FAKRA Automotive Connectors used?

See the NEWEST Products: https://www.mouser.com/new/?utm_source=youtube-desc&utm_medium=video&utm_campaign=youtube-newest-en

Subscribe to our Newsletter: http://mou.sr/MouserSignup-yt

Like us on Facebook: https://www.facebook.com/mouserelectronics

Follow us on X: https://www.twitter.com/MouserElec (Americas)

Follow us on X: https://www.twitter.com/MouserElecEU (Europe)

Follow us on X: https://www.twitter.com/MouserElecJapan (Japan)

Follow us on LinkedIn: https://www.linkedin.com/company/mouser-electronics/

Follow us on Instagram: https://www.instagram.com/mouserelec/

#MoreWithMouser #Mouser3for3 #Amphenol #Connectors #ElectricalEngineering #DesignEngineer #NewProduct #3for3
Amphenol RF FAKRA Automotive Connectors: 3 for 3 | Mouser Electronics
Amphenol RF FAKRA Automotive Connectors are designed to perform up to 6GHz and meet the particular mechanical and environmental requirements of the automotive industry to ensure reliable communication inside, to, and from vehicles. Learn More: https://www.mouser.com/new/amphenol/amphenol-rf-fakra-connectors/?utm_source=supplyframe3for3video&utm_medium=video&utm_campaign=69532402&utm_content=&utm_id=7174423779 0:08 What are Amphenol RF FAKRA Automotive Connectors? 1:13 How do Amphenol RF FAKRA Automotive Connectors support communication inside, to, and from vehicles? 1:56 Where are Amphenol RF FAKRA Automotive Connectors used? See the NEWEST Products: https://www.mouser.com/new/?utm_source=youtube-desc&utm_medium=video&utm_campaign=youtube-newest-en Subscribe to our Newsletter: http://mou.sr/MouserSignup-yt Like us on Facebook: https://www.facebook.com/mouserelectronics Follow us on X: https://www.twitter.com/MouserElec (Americas) Follow us on X: https://www.twitter.com/MouserElecEU (Europe) Follow us on X: https://www.twitter.com/MouserElecJapan (Japan) Follow us on LinkedIn: https://www.linkedin.com/company/mouser-electronics/ Follow us on Instagram: https://www.instagram.com/mouserelec/ #MoreWithMouser #Mouser3for3 #Amphenol #Connectors #ElectricalEngineering #DesignEngineer #NewProduct #3for3
Watch Video
Amphenol RF's AUTOMATE® Mini-FAKRA Type A connector series is the latest in automotive interconnect technology. This space-conscious, high-performance interface is central to the next generation of vehicle applications.

Learn more: https://www.amphenolrf.com/AUTOMATE
Data sheet: https://bit.ly/36llY9K
Automotive Overview: https://bit.ly/2MCSm0I
Automotive Solutions Guide: https://bit.ly/2Yr7gcI
Introducing Amphenol RF AUTOMATE® Mini-FAKRA Type A Automotive Connector System
Amphenol RF's AUTOMATE® Mini-FAKRA Type A connector series is the latest in automotive interconnect technology. This space-conscious, high-performance interface is central to the next generation of vehicle applications. Learn more: https://www.amphenolrf.com/AUTOMATE Data sheet: https://bit.ly/36llY9K Automotive Overview: https://bit.ly/2MCSm0I Automotive Solutions Guide: https://bit.ly/2Yr7gcI
Watch Video
View full article: https://www.allaboutcircuits.com/new-industry-products/amphenol-rf-automate-type-a-mini-fakra-breakout-cables-asia-new-product-brief

The Amphenol RF AUTOMATE breakout cables include a quad-port Type-A Mini-FAKRA jack to four SMA plugs and are designed on low loss TFC-302LL cables. For more information, as well as all the latest All About Circuits projects and articles, visit the official website at http://www.allaboutcircuits.com/

Check out Mouser's profile on All About Circuits and see more
product briefs and articles at https://www.allaboutcircuits.com/author/mouser-electronics

For more new products at Mouser, visit https://www.mouser.com/new/

Register on AAC: https://forum.allaboutcircuits.com/register
Subscribe on YouTube: https://www.youtube.com/c/AllAboutCircuitsVideo
Like us on Facebook: https://www.facebook.com/allaboutcircuits
Follow us on Twitter: https://twitter.com/AllAboutCircuit
Follow us on LinkedIn: https://www.linkedin.com/company/allaboutcircuits
Amphenol RF AUTOMATE Type-A Mini-FAKRA Breakout Cables | Asia New Product Brief
View full article: https://www.allaboutcircuits.com/new-industry-products/amphenol-rf-automate-type-a-mini-fakra-breakout-cables-asia-new-product-brief The Amphenol RF AUTOMATE breakout cables include a quad-port Type-A Mini-FAKRA jack to four SMA plugs and are designed on low loss TFC-302LL cables. For more information, as well as all the latest All About Circuits projects and articles, visit the official website at http://www.allaboutcircuits.com/ Check out Mouser's profile on All About Circuits and see more product briefs and articles at https://www.allaboutcircuits.com/author/mouser-electronics For more new products at Mouser, visit https://www.mouser.com/new/ Register on AAC: https://forum.allaboutcircuits.com/register Subscribe on YouTube: https://www.youtube.com/c/AllAboutCircuitsVideo Like us on Facebook: https://www.facebook.com/allaboutcircuits Follow us on Twitter: https://twitter.com/AllAboutCircuit Follow us on LinkedIn: https://www.linkedin.com/company/allaboutcircuits
Watch Video

Send us a Message

Please fill in the form below and we will contact you very soon.

Fields marked with an asterisk (*) are required.